LTS-SLFR
采用的是半弧环形光源结构,特殊定制高均匀漫射板,从LED发出的光均匀地扩散照射,同时采用柔性电路板0度角度进行照射,特殊的半弧结构用于特殊的环境,体质较小,结构灵活,可用于不同的环境,照射出来的光具有很高的均匀性,可用于检测表面划痕等特殊的情况。
产品特点:
1、半面漫射板设计,均匀性好;2、安装方式简单方便,灵活;
3、无阴影、低角度照明方式;
光源参数:
|
产品型号 |
LTS-SLFR100-R |
LTS-SLFR100-W |
LTS-SLFR100-B |
LTS-SLFR100-G |
|
|
产品类型 |
弧形平面无影光源 |
||||
|
LED类型 |
贴片式 |
贴片式 |
贴片式 |
贴片式 |
|
|
颜色 |
红色 |
白色 |
蓝色 |
绿色 |
|
|
波长 |
620-635nm |
-- |
465-470nm |
525-530nm |
|
|
色温 |
-- |
6600K |
-- |
|
|
|
功率 |
1.0W |
1.4W |
1.4W |
1.4W |
|
|
输入电压 |
DC 24V max. |
||||
|
线缆长度 |
0.5m |
||||
|
连接器型号 |
SMR-03V-B |
||||
|
连接器定义 |
1:正极(+)红色;2:留空;3:负极(—)黑色; |
||||
|
外壳材质 |
铝合金(表面氧化发黑处理) |
||||
|
冷却方式 |
自然风冷 |
||||
|
外形尺寸 |
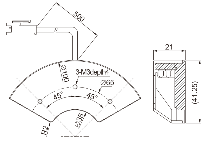
外径φ100mm x 内径φ35mm x 高21mm x扇形角度120° |
||||
|
使用温度和湿度 |
温度 : 0 to 40ºC,湿度 : 20 to 85%RH(非凝结) |
||||
|
使用寿命 |
在本公司指定使用条件下,红光5万小时,白光3万小时,亮度降低到出厂值的50% |
||||
|
质保期 |
在本公司指定使用条件下,出货日起质保一年,一年内如出现故障问题,可免费维修 或更换;(一年内如亮度衰减超过50%,可免费更换新光源) |
||||
|
增值服务 |
一年免费技术支持,免费出借样品测试 |
||||
|
配套电源(可选) |
1.模拟控制器 2.频闪控制器 3.数字控制器 4.迷你控制盒 |
||||
|
配套线缆(可选) |
1.LTS-EX系列(光源延长线) 2.LTS-TS系列(接头转接线) 3.LTS-SE系列(接头分接线) |
||||
*2012年1月起,LOTS所有颜色的光源最大输入电压均为24V。
*LOTS公司保留在未事先通知的情况下对产品进行更改的权利。
*LOTS公司可根据客户需求定制紫外、红外、黄色等非标光源。
外形尺寸(mm)



粤公网安备 44190002002938号