- 远距线性光源
- 超高亮线光源
- 紧凑型线光源
- 自然冷却线光源
- 高均匀线光源
- 高亮线光源
- 同轴线光源
- 多角度线光源
- 隧道线光源
- LCD表面检测灯
- 结构光光源
- 环形光源
- 大功率环形光源
- 半环形光源
- 环形无影光源
- 低角度无影光源
- 多方向无影光源
- 平面无影光源
- 圆顶无影光源
- 圆顶无影光源
- 圆顶环形组合光源
- 平面无影光源
- 方形无影光源
- 方形/拱形无影光源
- 大功率条形光源
- 条形光源
- 多色条形光源
- 条形组合光源
- 大功率同轴光源
- 狭角同轴光源
- 转角同轴光源
- 新款-同轴光源
- 同轴光源
- 多色同轴光源
- 同轴平行光源
- 平行集光光源
- 新二代点光源
- 高亮点光源
- 多角度环形光源
- AOI光源
- 回形/环形背光源
- 侧面导光背光源
- 背/面光源
- 平行背光源
- 定制圆形背光源
- 防水/防尘光源
- 工业冷光源
- 红外/紫外光源
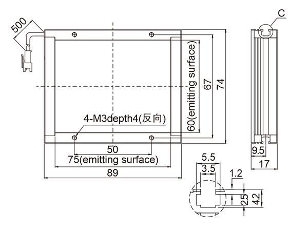
LTS-2FT7560-R/BGW
- 尺寸:L89xW74xH17(mm)
- 电压:24V
- 功率:3.8W/5.8W
- PDF下载:图纸下载
|
产品型号 |
LTS-2FT7560-R |
LTS- 2FT7560-W |
LTS- 2FT7560-B |
LTS- 2FT7560-G |
|
|
产品类型 |
背光源 |
||||
|
LED类型 |
贴片式 |
贴片式 |
贴片式 |
贴片式 |
|
|
颜色 |
红色 |
白色 |
蓝色 |
绿色 |
|
|
波长 |
620-635nm |
-- |
465-470nm |
525-530nm |
|
|
色温 |
-- |
6600K |
-- |
|
|
|
功率 |
3.8W |
5.8W |
5.8W |
5.8W |
|
|
输入电压 |
DC 24V max. |
||||
|
线缆长度 |
0.5m |
||||
|
连接器型号 |
SMR-03V-B |
||||
|
连接器定义 |
1:正极(+)红色;2:留空;3:负极(—)黑色; |
||||
|
外壳材质 |
铝合金(表面氧化发黑处理) |
||||
|
冷却方式 |
自然风冷 |
||||
|
外形尺寸 |
L89xW74xH17(mm) |
||||
|
外壳硬度参数 |
静负载230N±10N,时间5分钟 接触面积:直径30MM |
||||
|
绝缘能力要求 |
DC500V 绝缘电阻>20兆欧 |
||||
|
耐压要求 |
AC1000V 10mA/5S |
||||
|
可燃性等级 |
IEC60707 |
||||
|
使用温度和湿度 |
温度 : 0 to 40ºC,湿度 : 20 to 85%RH(非凝结) |
||||
|
使用寿命 |
在本公司指定使用条件下,红光5万小时,白光3万小时,亮度降低到出厂值的50% |
||||
|
质保期 |
在本公司指定使用条件下,出货日起质保一年,一年内如出现故障问题,可免费维修或更换;(一年内如亮度衰减超过50%,可免费更换新光源) |
||||
|
增值服务 |
一年免费技术支持,免费出借样品测试 |
||||
|
配套电源(可选) |
1.模拟控制器 2.数字控制器 3.大功率控制器 |
||||
|
配套线缆(可选) |
1.LTS-EX系列(光源延长线) 2.LTS-TS系列(接头转接线) 3.LTS-SE系列(接头分接线) |
||||
*2012年1月起,LOTS所有颜色的光源最大输入电压均为24V。
*LOTS公司保留在未事先通知的情况下对产品进行更改的权利。
*LOTS公司可根据客户需求定制紫外、红外、黄色等非标光源。





粤公网安备 44190002002938号